Hakko 154 Axial Lead Former
Text block
Pay with a Purchase Order
As part of our payment options, we gladly accept purchase orders. However, it is important to note that setting up terms with Starboard Technologies is necessary. To request the required information, please email us at rubin@starboardtech.com or make use of our user-friendly online submission form.
• Lead cutter and former for axial components
• Can be used for forming and cutting, forming only, or cutting only
• Lead cutting operation for taped components can be continuously performed using the same size settings once they are made
• Sealed ball bearing provides durability and efficiency
• Unique component removal plate protects components from damage caused by the leads touching while being removed
• Wide adjustment bending length
• High-quality cutting blade for a clean, smooth cut and long life• Possible to use together with 152B (motor drive)
153 154 Cutting and Forming Cutting and Forming Forming Forming Cutting CuttingCan be combined with the Hakko 152B Motor Drive (shown below):
Axial Lead Former Part Number: 153-2
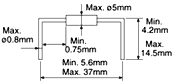
Axial Lead Former Part Number: 154-2
Note:
153-1 measures in Metric (mm)
153-2 measures in US/Imperial (in.)






